PRODUCT DISPLAY

概述
四平市东升换热器制造有限公司是一个具有中等规模的生产换热器、散热器、热空气幕、空调的专业厂家。多年来,我公司本着“精益求精、开拓进取”的务实态度,不断开发新产品。
本公司引进翅片管轧机和成磁轧工艺,可生产各种规格的双金属轧制管和同金属轧制管,双金属轧制管是一种较为理想的散热原件。它具有抗腐蚀性强,传热效率高,使用寿命长的特点,用双金属轧制管生产的散热器、热空气幕、空调器特别用于烘干设备配套是理想的产品,深受国内外用户的欢迎。
我公司具有国内先进的多种专用生产设备及高素质的工程技术人员,生产工艺先进,产品主要用于石油、化工、制药、机电、冶炼、粮食加工、大型木材烘干等。
空气换热器

应用领域
用于暖通空调、工业干燥、余热回收等很多领域
性能特点
SRZ、SRL型空气散热器是一种多用途、多功能的热交换设备,在它以钢(或铝)翅片管为传热原件,以蒸汽、热水或热油为一种材质,以空气为另一种材质。因此,当管内通过蒸汽或热水时,产出热风可用于建筑物的冬季采暖,管内通过冷水时,可用于建筑物的夏季空调;当管内通过高温蒸汽或高温油时,可制备热空气用于粮食或其他工业制品的烘干;当某些工业废气含有大量余热时,又可利用该设备回收余热,产出可用的热风或热水。此外,翅片管又是轴流暖风机、热风幕必不可少的部件。
双金属轧制管“翅片管”性质介绍
“翅片管”是生产散热器、空调器的基本元件,翅片管的质量好坏直接影响散热器、空调的质量,因而合理选用翅片管是至关重要的。
我公司生产的“双金属轧制管”是将铝管紧套的基管上,而后在铝管上经粗轧、精轧、连续轧出翅片,成形的翅片管,我公司抽样进行单根管子的热工测试,保证成品管子具有良好的复合性能。我公司生产的“双金属轧制管”具有好的传热性能,使用时翅片管与衬管间不会因产生电化学腐蚀性能和很高的强度,它可以承受4.0Mpa水压冲洗,翅片也不致倒伏。作为散热器中的翅片管,虽一次投资略高,但综合考虑还是经济的。
我公司生产的“双金属轧制管”是目前北美与欧洲,通用管子“双金属轧制管”的基管可以根据介绍腐蚀情况来选定基管,可以用不锈钢、碳钢、镍铜、钛管等,双金属轧制管束的价格也仅略高于同类基管镶嵌式翅片管束。
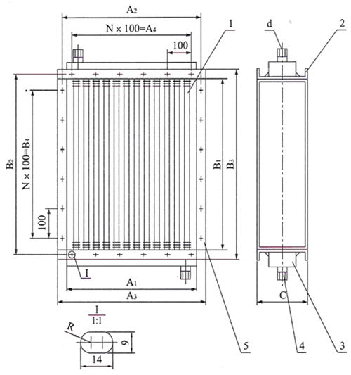
SRL型铝翅片式散热器
产品特点
SRL型铝翅片式散热器,是以0.3-0.6Mpa的蒸汽或130℃左右的热水为热媒介质来加热空气用的空气换热器,由铝翅片管、管板、侧板等不见组成。其具有体轻、美观、结构紧凑、使用方便、热效能高等诸多有点,广泛应用于集中或局部采暖、送风采暖及各工矿企事业单位,大型建筑物的采暖工程上。
型号说明

外形结构尺寸图

1、铝翅片管 2、管板 3、管箱 4、外连接管 5、侧板组件
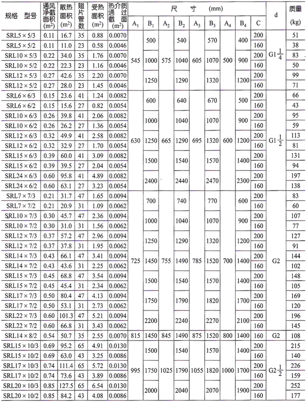
SRL型铝散热器主要技术参数、尺寸表

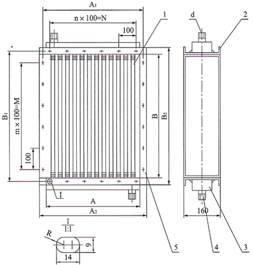
SRZ型螺旋翅片式散热器
产品特点
SRZ型螺旋翅片式散热器是在热风装置中作为加热空气用的空气加热器,是热风装置中的主要设备,其主要由管板、侧板和三排交叉排列的螺旋翅片管束等部件组成。翅片管的翅片采用薄钢带的绕片工艺之后整体镀锌而成。其具有散热接触面广、传热性能稳定、耐腐蚀、使用寿命长等诸多优点;被广泛应用于热风采暖、空气调节系统及干燥装置的空气加热系统,工矿企业大型建筑物的采暖通风系统中;其热介质通常采用0.03~0.6Mpa的蒸汽或70℃~130℃的热水。
型号说明

外形结构尺寸图

1、镀锌翅片管 2、管板 3、管箱 4、外连接管 5、侧板组件
SRZ型铝散热器主要技术参数、尺寸表

RZGL型空气加热器
产品特点
RZGL型空气加热器是用双金属轧片式翅片管作换热管、基管材料为冷拨无缝钢管、不锈钢管、铜管;肋片材料为纯铝整体轧制成型,这种整体轧制的双金属翅片管,是一种新型高效传热元件,具有国际水平、其主要性能传热系列是绕片式二倍。因而,RZGL型空气加热器同其他绕片管加热器相比具有体积小、重量轻、寿命长、效果显著、成本低、耐腐、抗温度突变能力强等优点。目前广泛应用于冶金、石油化工、天然气、电力、粮食加工、机械制造行业的空气预热、废热回收、采暖通风、干燥等工程中。
型号说明

外形结构尺寸图

RZGL型空气散热器主要技术参数、尺寸表

空气冷却器
特点
空气冷却器是利用空气作为介质通过热元件(翅片管)外侧,对较热的介质(气体、液体)通过传热元件内侧进行冷却,冷凝热交换设备。
冷却器传热元件采用先进的国外引进技术轧片式翅片管。
单简述轧片管无接触热阻,传热性能好,强度高,耐热震和机械震动,热膨胀性能好。
双金属轧片管接触热阻低,在较大温度变化范围内保持稳定的低值,传热系数高,基(衬管)由外层铝管壁保护不受腐蚀,对温度突变及震动有良好的抗力,单位长度传热面积大,传热量高,结构可靠寿命长,轧制翅片光滑无毛刺、无皱折、无易结尘、结垢、易于清洗和排除表面积水,流体阻力低,能长期保持良好的传热性能。
以轧片为管壳的热管为一种新型热导元件,传热方式独特性能优良,热管换热器结构简单轻巧安装使用方便。
构造
空冷却由管束,构架,风机,及百面窗组成。
